熱門關鍵詞:國產行星減速機代理商,國產行星減速機渠道,國產直齒行星減速機,國產斜齒行星減速機,直齒行星減速機,斜齒行星減速機

1.采用直齒齒輪傳動,經過滲碳淬火處理,齒向齒闊修行處理,表面噴砂鍍鎳,設備運行平穩,噪音小。 2.結構簡單,交貨期快,可大批量生產。3.減速機種類齊全 ......
0510-85167909
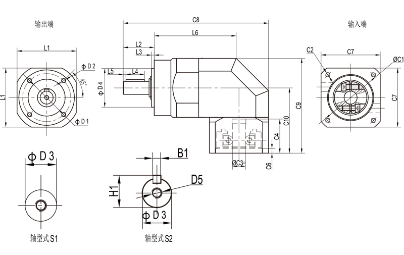
產品 · 簡介

TAER系列性能表 / TAER Series Performance Table | |||||||
規格 Specification | 單位 Unit | 節數 Stage | 減速比 Ratio | TAER070 | TAER090 | TAER120 | TAER155 |
額定輸出力矩 Rated output torque T2N | Nm | 1 | 3 | 36 | 90 | 195 | 342 |
4 | 48 | 120 | 260 | 520 | |||
5 | 60 | 150 | 325 | 650 | |||
6 | 55 | 150 | 310 | 600 | |||
7 | 50 | 140 | 300 | 550 | |||
8 | 45 | 120 | 260 | 500 | |||
10 | 40 | 100 | 230 | 450 | |||
12 | 55 | 150 | 310 | 600 | |||
14 | 50 | 140 | 300 | 550 | |||
20 | 40 | 100 | 230 | 450 | |||
2 | 15 | 60 | 150 | 325 | 650 | ||
25 | 60 | 150 | 325 | 650 | |||
30 | 55 | 150 | 310 | 600 | |||
35 | 50 | 140 | 300 | 550 | |||
40 | 45 | 120 | 260 | 500 | |||
45 | 40 | 100 | 230 | 450 | |||
50 | 60 | 100 | 230 | 650 | |||
60 | 55 | 150 | 310 | 600 | |||
急停扭矩 /Emergency stop torque T2NOT | Nm | 1.2 | 3-100 | 三倍額定輸出力矩/Triple rated output torque | |||
額定輸入轉速/Rated input speed η1N | rpm | 1,2 | 3-100 | 5000 | 4000 | 4000 | 3000 |
******輸入轉速/Maximum input speed η1B | 1,2 | 3-100 | 10000 | 8000 | 8000 | 6000 | |
扭轉剛性 /Torsional rigidity | Nm/arcmin | 1,2 | 3-100 | 7 | 14 | 25 | 50 |
容許徑向力 /Allowable radial force F2aB | N | 1,2 | 3-100 | 1530 | 3250 | 6700 | 9400 |
容許軸向力/Allowable axial force F2aB | N | 1,2 | 3-100 | 765 | 1625 | 3350 | 4700 |
使用壽命/Lifespan | hr | 1,2 | 3-100 | 20000 | |||
效率 /Efficiency | % | 3?10 | ≥97% | ||||
2 | 15-100 | ≥94% | |||||
重量 /Weight | kg | 3~10 | 2.1 | 6.4 | 13 | 24.5 | |
2 | 15-100 | 1.5 | 7.8 | 14.2 | 27.5 | ||
使用溫度 /Working temperature | °C | 1,2 | 3-100 | -10°C~90°C | |||
潤滑 /Lubricating | 1,2 | 合成潤滑油脂 /Synthetic lubricating grease | |||||
防護等級/IP Grade | 1,2 | 3-100 | IP65 | ||||
安裝方向 /Installation direction | 1,2 | 3-100 | 任意方向/In any direction | ||||
噪音值(η1 =3000rpm,無負載) Noise level (η1 =3000rpm,off load) | dB(A) | 1,2 | 3-100 | ≤58 | ≤60 | ≤63 | ≤65 |

