熱門關鍵詞:國產行星減速機代理商,國產行星減速機渠道,國產直齒行星減速機,國產斜齒行星減速機,直齒行星減速機,斜齒行星減速機

1.采用直齒齒輪傳動,經過滲碳淬火處理,齒向齒闊修行處理,表面噴砂鍍鎳,設備運行平穩,噪音小。2.結構簡單,交貨期快,可大批量生產。3.減速機種類齊全,滿足市場上...
0510-85167909
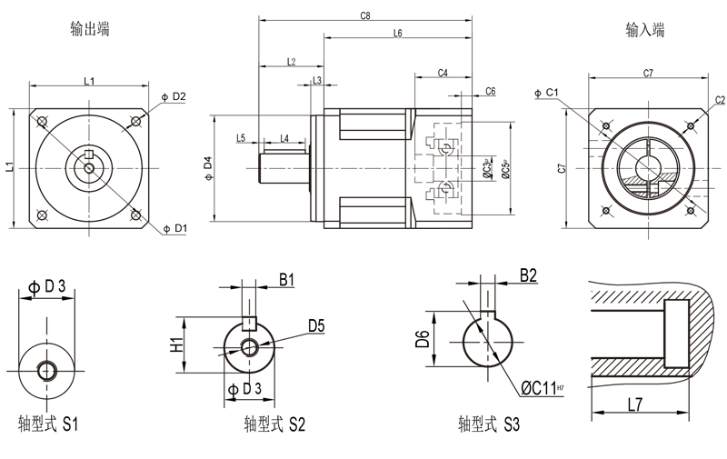
產品 · 簡介

TVB系列性能參數表 / TVB Series Performance Table | ||||||||
規格 Specification | 單位 Unit | 節數Stage | 減速比Ratio | TVB60 | TVB90 | TVB120 | TVB142 | TVB180 |
額定輸出力矩Rated output torqueT2N | Nm | 1 | 3 | 46 | 135 | 270 | 486 | 1312 |
4 | 46 | 162 | 324 | 648 | 1621 | |||
5 | 46 | 162 | 324 | 648 | 1621 | |||
6 | 46 | 162 | 324 | 648 | 1621 | |||
7 | 39 | 136 | 272 | 545 | 1362 | |||
8 | 39 | 136 | 272 | 545 | 1362 | |||
10 | 19 | 65 | 162 | 324 | 809 | |||
2 | 15 | 28 | 97 | 234 | 560 | 1345 | ||
20 | 46 | 162 | 324 | 648 | 1621 | |||
25 | 46 | 162 | 324 | 648 | 1621 | |||
30 | 46 | 162 | 324 | 648 | 1621 | |||
35 | 46 | 162 | 324 | 648 | 1621 | |||
40 | 46 | 162 | 324 | 648 | 1621 | |||
50 | 46 | 162 | 324 | 648 | 1621 | |||
60 | 39 | 136 | 272 | 545 | 1362 | |||
70 | 39 | 136 | 272 | 545 | 1362 | |||
80 | 39 | 136 | 272 | 545 | 1362 | |||
100 | 19 | 65 | 155 | 373 | 895 | |||
3 | 64 | 46 | 162 | 324 | 648 | 1621 | ||
80 | 46 | 162 | 324 | 648 | 1621 | |||
100 | 46 | 162 | 324 | 648 | 1621 | |||
150 | 46 | 162 | 324 | 648 | 1621 | |||
200 | 46 | 162 | 324 | 648 | 1621 | |||
250 | 46 | 162 | 324 | 648 | 1621 | |||
350 | 46 | 162 | 324 | 648 | 1621 | |||
400 | 46 | 162 | 324 | 648 | 1621 | |||
500 | 46 | 162 | 324 | 648 | 1621 | |||
700 | 39 | 136 | 272 | 545 | 1362 | |||
1000 | 19 | 65 | 130 | 259 | 648 | |||
急停扭矩 / Emergency stop torqueT2NOT | Nm | 1,2,3 | 3 ?1000 | 二倍額定輸出力矩 / Triple rated output torque | ||||
額定輸入轉速 / Rated input speed η1N | rpm | 1,2,3 | 3-1000 | 5000 | 4000 | 4000 | 3000 | 3000 |
******輸入轉速 / Maximum input speed η1B | 1,2,3 | 3-1000 | 10000 | 8000 | 8000 | 6000 | 6000 | |
扭轉剛性 / Torsional rigidity | Nm/arcmin | 1,2,3 | 3-100 | 7 | 14 | 25 | 50 | 145 |
容許徑向力 / Allowable radial force F2aB | N | 1,2,3 | 3-1000 | 1530 | 3250 | 6700 | 9400 | 14500 |
容許軸向力 / Allowable axial force F2aB | N | 1,2,3 | 3-1000 | 765 | 1625 | 3350 | 4700 | 7250 |
使用壽命 / Lifespan | hr | 1,2,3 | 3-1000 | 20000 | ||||
效率 / Efficiency | % | 1 | 3?100 | ≥97% | ||||
2,3 | 15 ~ 1000 | ≥94% | ||||||
重量 / Weight | kg | 1 | 3~10 | 1.3 | 3.7 | 7.8 | 14.5 | 28 |
2 | 15 ?100 | 1.5 | 4.1 | 9 | 17.5 | 32 | ||
3 | 64-1000 | 1.8 | 4.8 | 11.2 | 24 | 36 | ||
使用溫度 / Working temperature | °C | 1,2,3 | 3-1000 | -10°C~90°C | ||||
潤滑 / Lubricating | 1,2,3 | 合成潤滑油脂 / Synthetic lubricating grease | ||||||
防護等級 / IP Grade | 1,2,3 | 3-1000 | IP65 | |||||
安裝方向 / Installation direction | 1,2,3 | 3-1000 | 任意方向 / In any direction | |||||
噪音值(n1=3000rpm,無負載) Noise level (η1=3000rpm,off load) | dB(A) | 1,2,3 | 3 ?100 | ≤58 | ≤60 | ≤63 | ≤65 | ≤65 |

